El circuito integrado NE555 es muy popular debido a su bajo costo y sus múltiples aplicaciones, una de ellas es la modulación por ancho de pulsos. En este artículo te mostraremos como constriur un modulador por ancho de pulsos utilizando este CI.
La modulación por ancho de pulsos (o PWM, por las siglas en inglés de pulse-width modulation) de una señal o fuente de energía es una técnica en la que se modifica el ciclo de trabajo de una señal periódica, ya sea para transmitir información a través de un canal de comunicaciones o para controlar la cantidad de energía que se envía a una carga.
El ciclo de trabajo de una señal periódica es el ancho relativo de su parte positiva en relación con el período. Expresado matemáticamente:
D = τ/T, donde
D es el ciclo de trabajo
τ es el tiempo en que la función es positiva (ancho del pulso)
T es el período de la función
La construcción típica de un circuito PWM se lleva a cabo mediante un comparador con dos entradas y una salida. Una de las entradas se conecta a un oscilador de onda dientes de sierra, mientras que la otra queda disponible para la señal moduladora. En la salida la frecuencia es generalmente igual a la de la señal dientes de sierra, y el ciclo de trabajo está en función de la portadora.
Entre sus principales aplicaciones está la de controlar fuentes conmutadas, controles de motores, controles de elementos termoeléctricos.
Circuito integrado 555

El circuito integrado 555 inicialmente fue desarrollado por la firma Signetics. En la actualidad es construido por muchos otros fabricantes. Entre sus aplicaciones principales cabe destacar las de multivibrador estable (dos estados metaestables) y monoestable (un estado estable y otro metaestable), detector de impulsos, etcétera.
Este Circuito Integrado es para los experimentadores y aficionados, un dispositivo barato con el cual pueden hacer muchos proyectos. Este temporizador es tan versátil que se puede utilizar para modular una señal en Amplitud Modulada (A.M.)
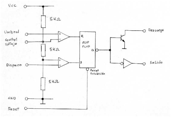
Está constituido por una combinación de comparadores lineales, flip-flops (biestables digitales), transistor de descarga y excitador de salida.
Las tensiones de referencia de los comparadores se establecen en 2/3 V para el primer comparador C1 y en 1/3 V para el segundo comparador C2, por medio del divisor de tensión compuesto por 3 resistores iguales R. En el gráfico se muestra el número de pin con su correspondiente función.
En estos días se fabrica una versión CMOS del 555 original, como el Motorola MC1455, que es muy popular. Pero la versión original de los 555 sigue produciéndose con mejoras y algunas variaciones a sus circuitos internos. El 555 esta compuesto por 23 transistores, 2 diodos, y 16 resistores encapsulados en silicio. Hay un circuito integrado que se compone de dos temporizadores en una misma unidad, el 556, de 14 pines y el poco conocido 558 que integra cuatro 555 y tiene 16 pines.

Descripción de las terminales del Temporizador 555

-
GND (normalmente la 1): es el polo negativo de la alimentación, generalmente tierra.
-
Disparo (normalmente la 2): Es en esta patilla, donde se establece el inicio del tiempo de retardo, si el 555 es configurado como monostable.
-
Salida (normalmente la 3): Aquí veremos el resultado de la operación del temporizador, ya sea que esté conectado como monostable, astable u otro.
-
Reset (normalmente la 4): Si se pone a un nivel por debajo de 0.7 Voltios, pone la patilla de salida a nivel bajo. Si por algún motivo esta patilla no se utiliza hay que conectarla a Vcc para evitar que el 555 se "resetee".
-
Control de voltaje (normalmente la 5): Cuando el temporizador se utiliza en el modo de controlador de voltaje, el voltaje en esta patilla puede variar casi desde Vcc (en la práctica como Vcc -1 voltio) hasta casi 0 V (aprox. 2 Voltios). Así es posible modificar los tiempos en que la salida está en alto o en bajo independiente del diseño (establecido por los resistores y condensadores conectados externamente al 555). El voltaje aplicado a la patilla de control de voltaje puede variar entre un 45 y un 90 % de Vcc en la configuración monostable. Cuando se utiliza la configuración astable, el voltaje puede variar desde 1.7 voltios hasta Vcc. Modificando el voltaje en esta patilla en la configuración astable causará la frecuencia original del astable sea modulada en frecuencia (FM). Si esta patilla no se utiliza, se recomienda ponerle un condensador de 0.01μF para evitar las interferencias.
-
Umbral (normalmente la 6): Es una entrada a un comparador interno que tiene el 555 y se utiliza para poner la salida a nivel bajo.
-
Descarga (normalmente la 7): Utilizado para descargar con efectividad el condensador externo utilizado por el temporizador para su funcionamiento.
-
V+ (normalmente la 8): También llamado Vcc, alimentación, es el pin donde se conecta el voltaje de alimentación que va de 4.5 voltios hasta 18 voltios (máximo).
Modulación del ancho de pulso:
Aplicando una señal de nivel variable a la entrada de CONTROL el pulso de salida aumenta de ancho al aumentar el nivel de esa tensión.

Para construir nuestro propio modulador por ancho de pulsos necesitamos armar el siguiente circuito

Los materiales utilizados son los siguientes:
- C1, C2 100nF, cerámico
- C3 420uF, 25V, electrolítico
- D1, D2 N4148, diodo rápido de proposito general
- D3 Diodo Zener, 24V
- R1 47 ohm
- R3 1k ohm
- R2 50k ohm, Potenciometro
- Q1 BUZ11, 30V 15A, MOSFET, de swticheo rápido, Canal-N
- IC1 NE555, DIP8, Timer/Oscilador
- Fuente de alimentación
- Carga (un motor pequeño de corriente continua, una pequeña bombilla)
El pin de salida nº 3 del circuito integrado 555 nos provee una onda cuadrada con un duty-cycle ajustable, lo que básicamente significa que podemos variar el ancho de pulso de la onda, lo que provoca cambios en la velocidad del motor o intensidad de la bombilla.
La salida del 555 excita el MOSFET por medio de una resistencia (R1) que limita la corriente, el transistor actua como switch por lo que la perdida de energía en él es despreciable.
Los terminales de alimentación del ne555 son el 1 y el 8
De no encontrar los componentes necesarios, buscar sus respectivos reemplazos, en nuestro caso al no haber un Diodo Zener de 24V, se utilizaron 2 de 12 en paralelo.
El BUZ11 necesita un disipador de calor, que puede ser pequeño, a menos que se use el modulador por un período extendido de tiempo.
En este vídeo podrás ver con más detalle su funcionamiento y algunas recomendaciones: